Stránka 1 z 1
boxer 2008 2.2 hdi vybija bateriu cez poistku F2 50A v motorovom priestore
Napsal: 29 dub 2023, 07:57
od mattock
zdravim, jedneho rana pridem k autu a bateria 0V, po vytiahnuti poistky F2 50A v motorovom priestore a zalozeni novej baterie je vsetko ok. pri zalozeni poistky aj kde je motor vypnuty pocut take ako keby sičanie, baterka nevydrzi ani den pri zalozenej poistke. nestretol sa s tym niekto čo to može byť?
vdaka
Re: boxer 2008 2.2 hdi vybija bateriu cez poistku F2 50A v motorovom priestore
Napsal: 02 kvě 2023, 09:44
od roman1648
Na co je tak silná pojistka? To bude nějaký výhřev něčeho předpokládám ?
Re: boxer 2008 2.2 hdi vybija bateriu cez poistku F2 50A v motorovom priestore
Napsal: 03 kvě 2023, 08:02
od passion
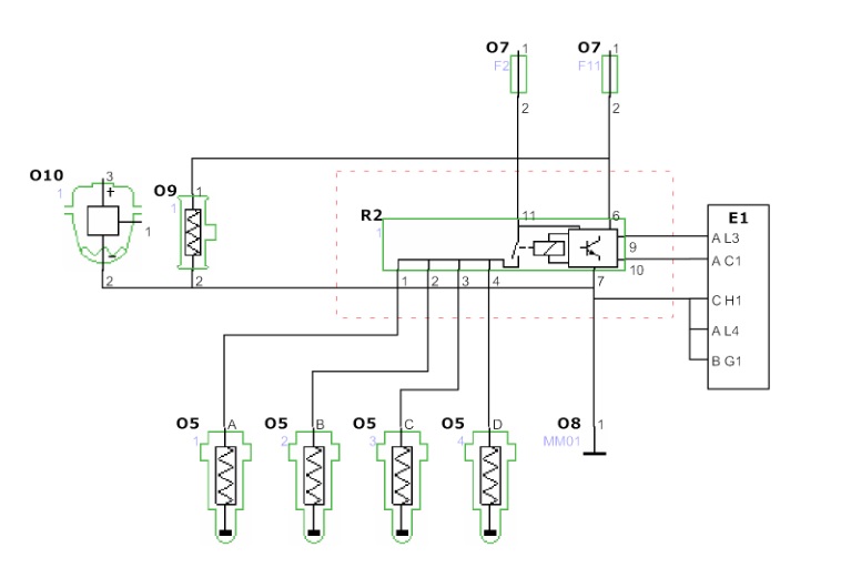
Predhrev motora, alebo žhavenie.

- Boxer F2.jpg (48.54 KiB) Zobrazeno 5072 x
Re: boxer 2008 2.2 hdi vybija bateriu cez poistku F2 50A v motorovom priestore
Napsal: 03 kvě 2023, 08:14
od roman1648
Jo, to jsem si myslel, kámoš to měl na C8ce, nevím co se tam tehdy doblblo ale odpojil jsem to a bylo po prdeli..
Re: boxer 2008 2.2 hdi vybija bateriu cez poistku F2 50A v motorovom priestore
Napsal: 03 kvě 2023, 13:14
od mattock
dakujem za schemu, mam ko jednotku abs poistka F01 hned pri postke F02
poistku f01 som tam nemal pretoze ABS islo nepretrzite, po rozobrati poistkovej skrinky predpokladam ze bol skrat medzi kontaktami F01 a F02 a cez poistku F02 vybilo bateku ABS
prikladam foto poistkovej skrinky, objednal som novu a uvidime
![Obrázek]()
Re: boxer 2008 2.2 hdi vybija bateriu cez poistku F2 50A v motorovom priestore
Napsal: 07 kvě 2023, 12:55
od mattock
problém vyriešený výmenou poistnej skrinky BF01 v motorovom priestore a opravou jednotky abs
dakujem